1. Project Background and Challenges
Let me share some good news with everyone! We, Heyi Electric, recently had a great battle in Guatemala - we successfully completed an important power project from equipment delivery to installation and commissioning!
This project is crucial for upgrading the local power grid, and the customer's requirements for current transformers are particularly high: accuracy must be accurate, they must be able to adapt to various complex environments, and they must operate stably for a long time without falling out of control at critical moments.
Simply put, what they need is a high-end product specifically designed for tropical regions that is both accurate in measurement and particularly durable.
This requirement seems tailor-made for us! With solid technical strength and rich project experience, Heyi Electric directly recommended the RECT series indoor resin encapsulated current transformers, easily solving customers' headache problems.

2. Solution and Product Features
2.1 Accurate measurement performance
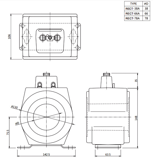
This time, Heyi Electric has invited the 'strong player' - this RECT-78A indoor resin encapsulated current transformer. It is specifically designed to solve long-standing and difficult problems in complex power environments.
In terms of performance, it is quite capable: not only does it fully meet the IEEE C57.13 international standard, but it is also equipped with a high transformation ratio of 8000/5A. What's even more impressive is that it meets both C400 and 0.3 precision levels, making it a true 'dual champion'.
It is also a 'wide range expert' with a particularly wide measurement range, maintaining high accuracy from 1% to 150% of the rated current. With the hard work of precise measurement with this hand, ordinary measuring grade transformers have been thrown away for several streets.

2.2 Reliable environmental adaptability
Speaking of durability, the RECT-78A has really put in a lot of effort this time. It adopts a fully enclosed resin casting shell, which is like wearing a top-level "protective suit" for the equipment. Its ability to prevent moisture and corrosion is all top-notch.
Just saying this may not be intuitive enough. Let's directly look at the hardcore indicators: the insulation level reaches 0.66/4kV, the insulation level is F level, the thermal stability current is as high as 80kA, and it can stably withstand for 3 seconds! The working temperature can withstand temperatures from minus 40 degrees Celsius to 180 degrees Celsius - with this configuration, Guatemala's wet and hot weather is a piece of cake for it.
We are not at all vague about the details, including the dedicated secondary short-circuit device and detachable protective cover, all of which are fully equipped. In this way, safety is ensured, and installation and maintenance are much easier, which can be said to be killing two birds with one stone.
3. Technological advantages and innovative highlights
3.1 Advanced Product Design
We have truly demonstrated our expertise in the RECT-78A indoor resin encapsulated current transformer. Its most impressive feature is the use of a special magnetic circuit design and exclusive material technology - which makes it particularly "stable" under various current conditions, and the output data is particularly accurate.
To put it bluntly, compared to previous models, its progress is not insignificant: whether it is when the electrical load is particularly small or when there is a sudden surge in current, it can hold steadily, and the measurement accuracy is not at all drifting.
Coincidentally, all the headache inducing old problems in measurement and protection of the system have been easily solved now!
3.2 Excellent craftsmanship level
When it comes to craftsmanship, the RECT-78A holds a "unique secret" in its hand - we have specially formulated a special resin encapsulation formula for it. The transformer made with this formula can withstand high temperatures and is particularly sturdy and durable.
To be honest, even if it runs continuously all year round, it will always be stable and will never lose its chain.
It is precisely because of its solid foundation that it appears particularly capable in harsh environments - the worse the on-site conditions and the more complex the working conditions, the more it can demonstrate its true abilities.
From this, you can see that Heyi Electric has put in real effort and strong capabilities in research and development.
4. RECT series global application cases
4.1 Application of RECT-38A in Commercial Buildings
Let me share with you a real case of our experience in Southeast Asia. A high-end commercial complex encountered a challenge while upgrading its power distribution system: the installation location was particularly narrow, and there was an urgent need to find a compact and reliable current transformer. Well, our RECT-38A just came in handy!
This transformer is exquisitely crafted, with a window diameter of only 38 millimeters and a weight of only 6.5 kilograms - thanks to its mini size, it easily solves the installation problem in narrow spaces.
Even more impressive, don't complain about its small size, as its performance hasn't been compromised at all. It is equipped with two flexible current ratios of 100/5A and 150/5A, while maintaining a high precision of 0.3 B-0.2, which truly helps customers achieve more refined energy management.
4.2 Application of RECT-66A in the Industrial Field
Previously, we worked with a large manufacturing company and they encountered a particularly troublesome problem when expanding their production line: the original current transformers were prone to overload, which seriously affected the production schedule.
Do you think this is a coincidence? This question seems to be specially prepared for our RECT-66A! This product has particularly solid performance, even in a high temperature environment of 55 ℃, the rated coefficient can be stably maintained at 2.9. It also offers several current ratios from 200/5A to 300/5A, which can basically meet various needs.
More noteworthy is its accuracy - reaching a level of 0.3 B-0.5. Even in complex working conditions where the motor frequently starts and stops, it can ensure that the protection system judges accurately, responds quickly, and never loses control, providing comprehensive protection for equipment safety.

5. Future prospects and development plans
Starting from this new starting point in Guatemala, our RECT series indoor resin encapsulated current transformers are gradually moving towards a broader international market. It can be said that every successful project is the most powerful proof of our product's hard power.
Looking ahead to the future, Heyi Electric will continue to invest in technological innovation and firmly uphold the lifeline of product quality. We will continue to optimize the RECT series to make its performance more powerful and adaptable to a wider range of application scenarios.
Our ultimate goal is one: to become the most reliable current measurement partner for global power users. By using our reliable products and professional services, we can earn the long-term trust and trust of every customer.
Compay: WENZHOU HEYI ELECTRICAL CO.,LTD
Brand: HEYI/ASCT
Contact: Bethy
E-mail: heyi@heyiele.com
Tel: 86-13968747975